您好,欢迎访问东莞市优博联智能科技有限公司官网!

产品展示

免费咨询热线

0769-81075649
TYPE-C 3.1
您的位置: 主页 > 产品展示 > TYPE-C 3.1

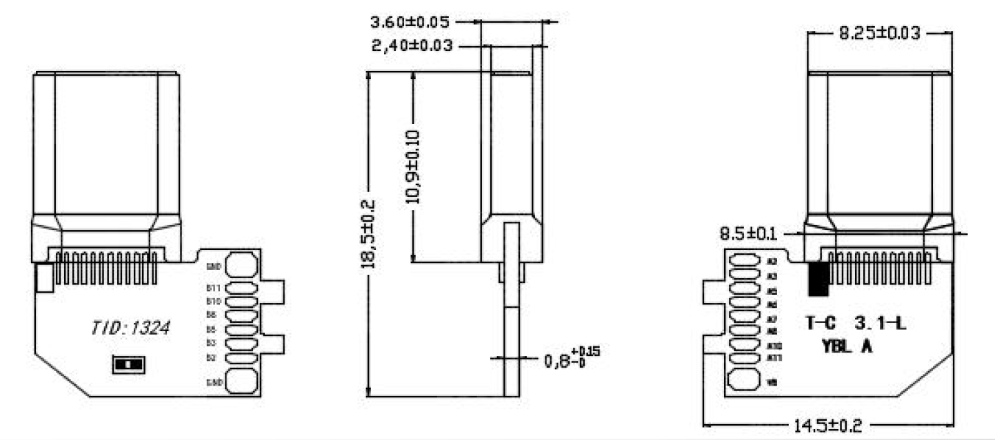
TYPE-C 3.1 5A 10GB

  • 产品详情

型号:TYPE-C 3.1

编号:TC31A-5403-0356

胶芯颜色:黑色

铁壳表处:拉伸壳镀珍珠镍

PCB:绿色六层板 90度弯头

5A 10GB

018-2.jpg

标签:

Copyright © 2022-2025 东莞市优博联智能科技有限公司 版权所有 

0769-81075649